SANELA WC s umyvadlem do rohu SLWN 08ZP, WC závěsné vpravo, závitové tyče 94084
Kód / Model: 94084
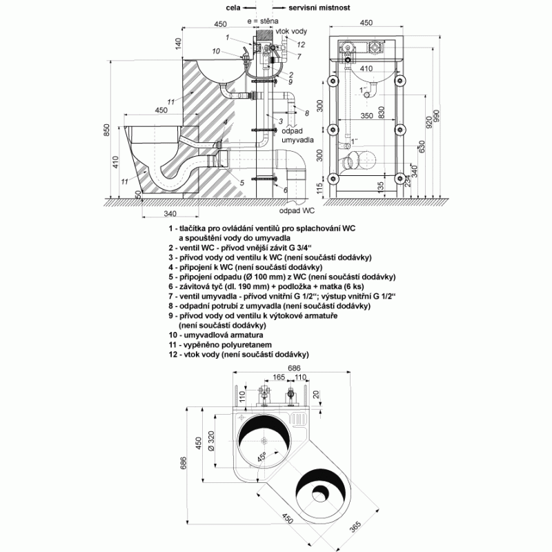
Popis
SANELA WC s umyvadlem do rohu SLWN 08ZP, WC závěsné vpravo, závitové tyče 94084- antivandalové provedení
- použití pro věznice
- kompaktní set WC s lisovaným umyvadlem, umyvadlovou armaturou a otvorem - - pro toaletní papír
- tlačný ventil na ovládání umyvadlové armatury
- tlačný ventil pro splachování WC
- SLWN 08P - WC stojící na zemi vpravo
- SLWN 08L - WC stojící na zemi vlevo
- SLWN 08ZP - závěsné WC vpravo
- SLWN 08ZL - závěsné WC vlevo
- montáž přes závitové tyče (M10, délka 190 mm) z druhé strany stěny
- materiál CrNi 18/10 (AISI - 304), tloušťka 1,5 mm
- vyztužené polyuretanem (snížená hlučnost, zvýšená pevnost)
- povrch matný
Specifikace dodávky:
SLWN 08ZP - obj. č. 94084 - nerezový kompaktní set WC s umyvadlem do rohu, 2x tlačný ventil, umyvadlová armatura, 6x závitová tyč M10
Ilustrační foto
Obrázky se mohou lišit od originálního produktu/položky.
- Pre odoslanie na Slovensko navštívte SANELA WC s umývadlom do rohu SLWN 08ZP, WC závesné vpravo, závitové tyče 94084
Recenze (0)
Napsat recenzi
Hodnocení: Nejhorší Nejlepší
Opište prosím kód z obrázku do pole níže:





