WILO TOP Z 80/10 DM PN6 RG oběhové čerpadlo 2046641
Kód / Model: 2046641
Popis
WILO TOP Z 80/10 DM PN6 RG oběhové čerpadlo 2046641Toto oběhové čerpadlo je vhodné jen pro pitnou vodu.
Použitelné pro cirkulační systémy s teplou pitnou vodou v průmyslu a technických zařízeních budov.
Bezúdržbové, mokroběžné oběhové čerpadlo s připojením na závit nebo na přírubu, předvolitelné stupně otáček pro přizpůsobování výkonu.
Vybavení a funkce
Manuální přizpůsobování výkonu se 3 stupni otáček
Čerpadla s 1~ motorem:
- P2 až 90W: Interní ochrana proti nepřípustně vysokým teplotám vinutí
- P2 = 180W: Plná ochrana motoru díky ochranným kontaktům vinutí ve spojení s vybavovacím přístrojem
Čerpadla s 3~ motorem:
- P2 až 90W: Interní ochrana proti nepřípustně vysokým teplotám vinutí
- P2 ? 180W: Plná ochrana motoru s integrovanou spouštěcí elektronikou
- Poruchová kontrolka
- Kontakt pro sběrné poruchové hlášení
- Kontrolka směru otáčení
- Síťová přípojka 3~230 V s volitelným přepínacím konektorem
- Skříň čerpadla z červeného kovu nebo šedé litiny (ušlechtilá ocel v závislosti na typu)
- Kombinovaná příruba PN 6/PN 10 (u DN 40 až DN 65)
- Tepelně izolační kryty
- Další funkce díky dovybavení modulem Protect Module C:
- Poruchové hlášení SSM jako beznapěťový rozpínací kontakt
- Provozní hlášení SBM jako beznapěťový spojovací kontakt
- Řídicí vstup „Přednost vyp.“ přes externí beznapěťový kontakt (rozpínací kontakt)
- Identifikace blokování
- Plná ochrana motoru s integrovaným spouštěním
- Potvrzení poruchy
Řízení zdvojeného čerpadla (dvě samostatná čerpadla namontovaná paralelně): Základní/záložní režim (automatické přepínání v případě poruchy/časově závislá výměna čerpadel)
Materiály
Pouzdro čerpadla: Červený bronz (CC 499K) dle DIN 50930-6, dle německé vyhlášky o pitné vodě TrinkwV 2001
Oběžné kolo: Plast (PPE - 30% GF)
Hřídel čerpadla: Ušlechtilá ocel (X39CrMo17-1)
Ložisko: Uhlík, impregnovaný syntetickou pryskyřicí
Přípustná čerpaná média (jiná média na vyžádání)
Max. čerpací výkon: 65.0 m3/h
Max. dopravní výška: 9.0 m
Potrubní přípojky
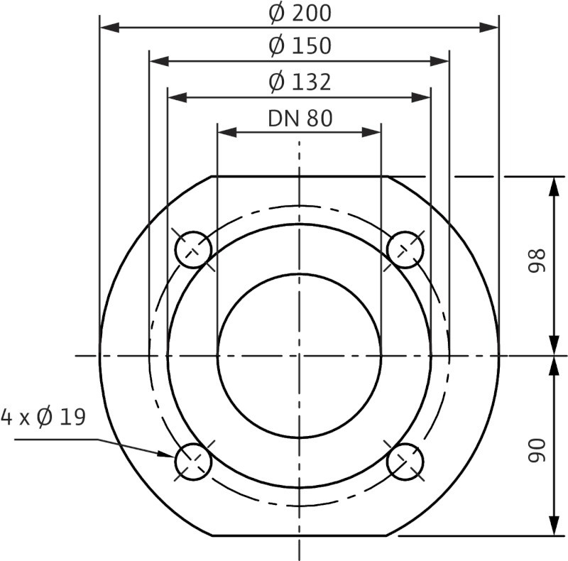
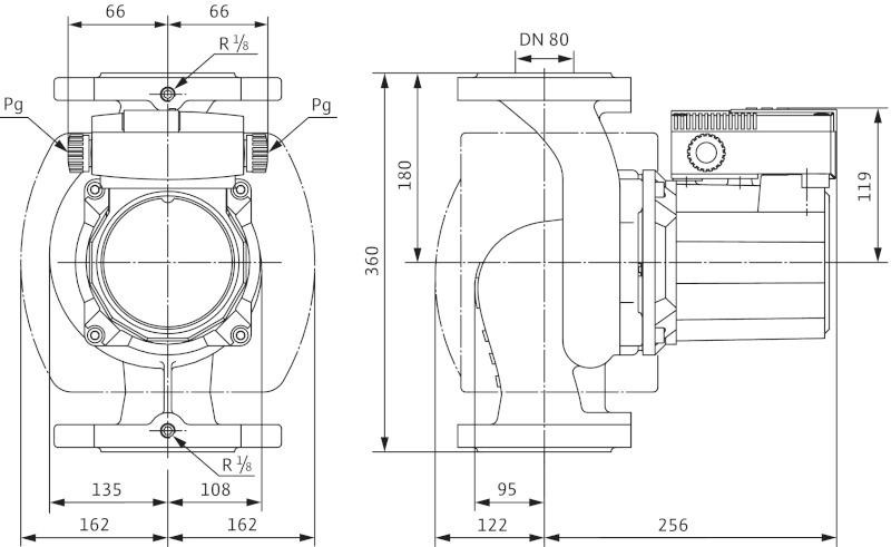
Jmenovitá světlost příruby: DN 80
Příruba: Příruba PN 6 (dimenzována PN 16, podle EN 1092-2)
Konstrukční délka: 360 mm
Motor/elektronika
Rušivé vyzařování: EN 61000-6-3
Odolnost vůči rušení: EN 61000-6-2
Druh ochrany: IP X4D
Třída izolace: H
Síťová přípojka: 3~400/230 V, 50 Hz
Max. otáčky: 2800 / 1/min2500 / 1/min2200 1/min
Otáčky: 2200 / 2500 / 2800 1/min
Jmenovitý výkon motoru: 1100.0 W
Příkon 3~400 V: 940 / 1155 / 1440 W
Proud u 1~230V: – A
Proud u 3~400V: 2,92 / A2,06 / A1,68 A
Ochrana motoru: Integrováno
Kabelové šroubení: 2x13,5
Hmotnost cca: 34.5 kg
ilusrační foto
Obrázky se mohou lišit od originálního produktu/položky.
- Um nach Österreich zu versenden, besuchen Sie 21425
- Um nach Deutschland zu versenden, besuchen Sie 21901
- Aby wysłać do Polski odwiedź WILO TOP Z 80/10 DM PN6 RG Bezdławnicowa pompa cyrkulacyjna z przyłączem 2046641
- Pre odoslanie na Slovensko navštívte WILO TOP Z 80/10 DM PN6 RG obehové čerpadlo 2046641
Recenze (0)
Napsat recenzi
Hodnocení: Nejhorší Nejlepší
Opište prosím kód z obrázku do pole níže:

























