Stiebel Eltron SHC 10 Tlakový zásobník malý 10l pod umyvadlo 1,5 kW 233747
Pečlivě vybrané příslušenství
Popis
Stiebel Eltron SHC 10 Tlakový zásobník malý 10l pod umyvadlo 1,5kW 233747
Stiebel Eltron SHC 10 je malý tlakový zásobníkový ohřívač vody určený pro rychlou a úspornou dodávku teplé vody přímo u odběrného místa. Díky instalaci pod umyvadlo zajišťuje krátkou cestu vody, minimální tepelné ztráty a vysoký uživatelský komfort při každodenním používání.
Tento kompaktní elektrický zásobník s objemem 10l nabízí rychlou dostupnost teplé vody bez zbytečného čekání a zároveň pomáhá šetřit energii i vodu. Kvalitní tepelná izolace, smaltovaná ocelová nádrž a možnost připojení do standardní zásuvky z něj dělají praktické a spolehlivé řešení pro domácnosti i menší provozy.
Hlavní výhody
- Rychlá dostupnost teplé vody bez zpoždění
- Montáž pod odběrné místo pro minimální tepelné ztráty
- Objem 10l pro komfortní zásobu teplé vody
- Nízká spotřeba energie díky kvalitní tepelné izolaci
- Připojení do standardní zásuvky pro snadnou instalaci
- Přívodní kabel se zástrčkou Schuko
- Vhodný pro kombinaci s běžně dostupnými tlakovými armaturami
- Smaltovaná ocelová vnitřní nádrž pro dlouhou životnost
- Ruční ovládání a nastavení teploty v rozsahu 30 až 65 °C
- Integrovaný omezovač teploty pro bezpečný provoz
Technické parametry
| Jmenovitý výkon | 1,5kW |
| Síťová přípojka | 1/N/PE |
| Napětí / Frekvence | 220-240V / 50-60Hz |
| Jištění | 10A |
| Třída energetické účinnosti | A |
| Jmenovitý objem | 10l |
| Množství smíšené vody 40 °C | 15,3l |
| Rozsah nastavení teplot | 30-65 °C |
| Konstrukce | Tlakový |
| Způsob montáže | Pod odběrné místo |
| Materiál vnitřní nádrže | Ocel smaltovaná |
| Délka kabelu | 1m |
| Omezovač teploty | Ano |
| Stupeň krytí | IP24D |
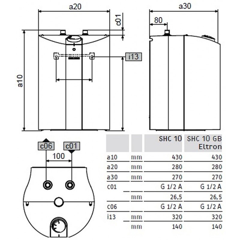
| Rozměry | 430 x 280 x 270mm |
| Hmotnost | 7,20kg |
Úsporný ohřev vody přímo u umyvadla
Stiebel Eltron SHC 10 je ideální volbou pro místa, kde je potřeba rychlý přístup k teplé vodě a zároveň důraz na úsporný provoz. Instalace přímo pod umyvadlo zkracuje dobu čekání na teplou vodu, omezuje ztráty při rozvodu a zvyšuje celkovou efektivitu provozu. Kompaktní rozměry, jednoduché elektrické připojení a kvalitní zpracování dělají z tohoto malého tlakového zásobníku praktické řešení pro moderní domácnost.
Obrázky se mohou lišit od originálního produktu/položky.
Specifikace
| Parametry | |
| Montáž | pod umyvadlo |
| Druh ohřívače | zásobníkový |
| Typ ohřevu | elektrický |
| Typ | tlakový |
| Materiál nádoby | ocel |
| S baterií | Bez baterie |
| Výkon | 1,5 kW |
| Objem | 10 l |
| Energetická třída | A |
| Zdroj napájení | 230 V |
| Krytí IP | IP 24 D |
Dokumenty
- Pour l’expédition en France, visitez Stiebel Eltron SHC 10 Petit chauffe-eau électrique 10l, 1,5kW 233747
- Magyarországra történő szállítás Stiebel Eltron SHC 10 Alsó elhelyezésű átfolyós vízmelegítő, 10l, 1,5kW 233747
- Aby wysłać do Polski odwiedź Stiebel Eltron SHC 10 Podgrzewacz wody ciśnieniowy podumywalkowy 10l, 1,5kW 236129
- Pre odoslanie na Slovensko navštívte Stiebel Eltron SHC 10 Tlakový zásobník malý pod umývadlo, 10l,1,5kW 233747
Recenze (1)
Napsat recenzi
Hodnocení: Nejhorší Nejlepší
Opište prosím kód z obrázku do pole níže:
























