Grundfos ALPHA1 GO 25-40 130 220-240V 9H AB0 Oběhové čerpadlo 93074186
Sleva 54%
Pečlivě vybrané příslušenství
Popis
Grundfos ALPHA1 GO – vysoce účinné oběhové čerpadlo pro topné a klimatizační soustavy
Grundfos ALPHA1 GO je moderní vysoce účinné oběhové čerpadlo s elektronicky komutovaným motorem, určené pro topné a klimatizační soustavy. Díky inteligentnímu řízení a širokým možnostem nastavení je ideálním řešením pro výměnu starších oběhových čerpadel, zejména modelů Grundfos UPS integrovaných v kotlích a technologických sestavách.
Čerpadlo nabízí tři regulační režimy – konstantní tlak, proporcionální tlak a konstantní otáčky, přičemž každý režim lze nastavit ve třech výkonových stupních. Pomocí mobilní aplikace Grundfos GO je možné replikovat charakteristiky původního čerpadla, což výrazně zjednodušuje modernizaci stávajících instalací.
Výhody
- Vysoce účinné oběhové čerpadlo s ECM motorem
- Tři regulační režimy: konstantní tlak, proporcionální tlak, konstantní křivka
- Každý režim nastavitelný ve třech výkonových úrovních
- Vhodné pro náhradu čerpadel Grundfos UPS integrovaných v kotlích
- Možnost replikace charakteristik původního čerpadla pomocí aplikace Grundfos GO
- Nízká spotřeba energie a tichý provoz
- Spolehlivý provoz v topných i klimatizačních soustavách
Technické údaje
Hydraulické a provozní parametry
| • Jmenovitý průtok | 1,65 m3/h |
| • Jmenovitá dopravní výška | 1,89 m |
| • Teplotní třída | TF 110 |
| • Rozsah teploty čerpané kapaliny | 2 – 110 °C |
| • Vybraná teplota kapaliny | 20 °C |
| • Hustota | 998,2 kg/m3 |
Materiály
| • Těleso čerpadla | Litina EN-GJL-150 (ASTM A48-150B) |
| • Oběžné kolo | Kompozit PES + 30 % skleněných vláken |
Instalace
| • Rozsah okolní teploty | 0 – 55 °C |
| • Maximální provozní tlak | 10 bar |
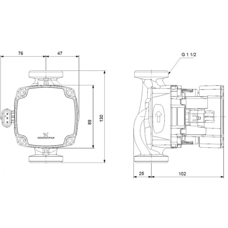
| • Připojení potrubí | ISO 228-1 |
| • Typ připojení | G |
| • Velikost připojení | 1 1/2" |
| • Tlaková třída | PN 10 |
| • Stavební délka | 130 mm |
| • Orientace hlavy čerpadla | 9H |
Elektrické údaje
| • Příkon P1 min. | 4 W |
| • Příkon P1 max. | 27 W |
| • Napájecí frekvence | 50 / 60 Hz |
| • Jmenovité napětí | 1 × 220–240 V |
| • Maximální proud | 0,06 A / 0,3 A |
| • Stupeň krytí | IP44 |
| • Třída izolace | F |
| • Tepelná ochrana | Elektronická |
Certifikace
| • Schválení | CE, VDE |
Obrázky se mohou lišit od originálního produktu/položky.
Specifikace
| Parametry | |
| Dopravní výška | 4 m |
| Velikost | 1 1/2" |
| EEI - Index energetické účinnosti | 0,20 |
| Síťová přípojka | 1~230 V, 50/60 Hz |
| Typ | 25-40 |
| Krytí IP | IP 44 |
| Jmenovitý průtok | 1,65 m3/h |
| Vestavná délka | 130 mm |
| Typ připojení | závitové |
| Max. provozní tlak | 10 bar |
Dokumenty
- Um nach Deutschland zu versenden, besuchen Sie Grundfos ALPHA1 GO 25-40 130 220-240V 9H AB0 Umwälzpumpe 93074203
- Um nach Österreich zu versenden, besuchen Sie Grundfos ALPHA1 GO 25-40 130 220-240V 9H AB0 Umwälzpumpe 93074203
- Pour l’expédition en France, visitez Grundfos ALPHA1 GO 25-40 130 220-240V 9H AB0 Pompe de circulation 93074186
- Magyarországra történő szállítás Grundfos ALPHA1 GO 25-40 130 220-240V 9H AB0 Keringető szivattyú 93074186
- Aby wysłać do Polski odwiedź Grundfos ALPHA1 GO 25-40 130 220-240V 9H AB0 Pompa obiegowa 93074186
- Pre odoslanie na Slovensko navštívte Grundfos ALPHA1 GO 25-40 130 220-240V 9H AB0 Obehové čerpadlo 93074186
Recenze (0)
Napsat recenzi
Hodnocení: Nejhorší Nejlepší
Opište prosím kód z obrázku do pole níže:
































