Grundfos oběhové čerpadlo ALPHA2 32-40 N 180 1x230V 50Hz 6H 97993212
Kód / Model: 97993212
Popis
Grundfos oběhové čerpadlo ALPHA2 32-40 N 180 1x230V 50Hz 6H 97993212Techn.:
Max. dopravní výška: 40 dm
Teplotní třída TF: 110
Schval. značky na typovém štítku: VDE,GS,CE
Materiály:
Těleso čerpadla: Korozivzdorná ocel
DIN W.-Nr. 1.4308
ASTM 351 CF8
Oběžné kolo: PES 30%GF
Instalace:
Rozsah okolní teploty: 0 .. 40 °C
Max. provozní tlak: 10 bar
Potrubní přípojka: G 2
PN pro potrubní přípojku: PN 10
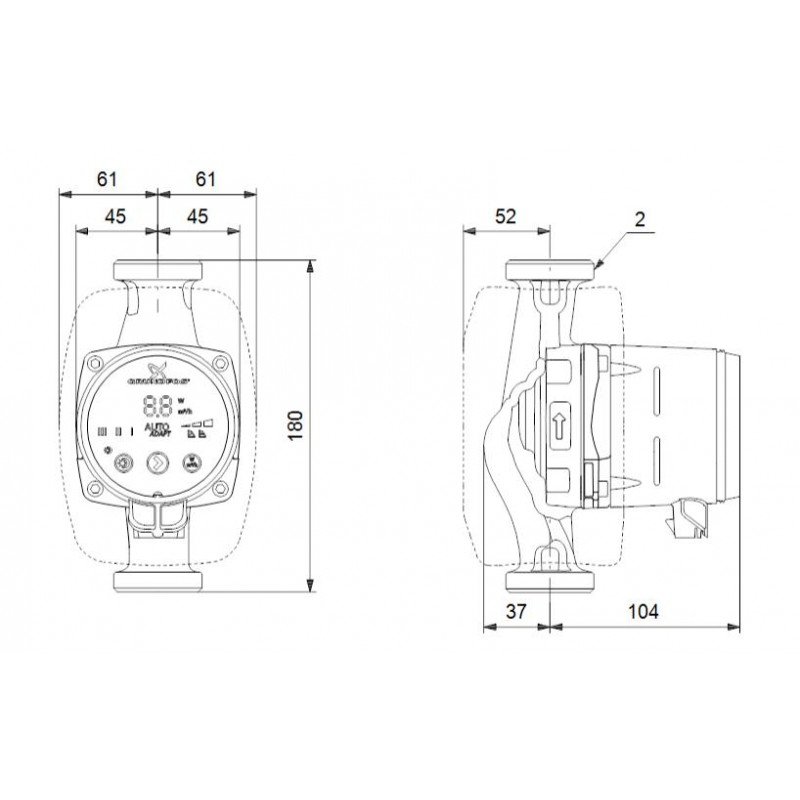
Vzdálenost mazi sacím a výtlačným hrdlem: 180 mm
Kapalina:
Čerpaná kapalina: Voda
Rozsah teploty kapaliny: 0 .. 110 °C
Teplota kapaliny: 20 °C
Hustota: 998.2 kg/m3
Elektrické údaje:
Příkon - P1: 3 .. 18 W
Max. spotřeba el. proudu: 0.04 .. 0.18 A
Frekvence el. sítě: 50 Hz
Jmenovité napětí: 1 x 230 V
Krytí (IEC 34-5): IP42
Třída izolace (IEC 85): F
Motorová ochrana: Žádný
Teplotní ochrana: ELEC
Řídící jednotky:
Automat. noční reduk. provoz: Včetně automat. nočního reduk. provozu
Poloha svorkovnice: 6H
Jiné:
Energet. účinnost (EEI): 0.15
Čistá hmotnost: 2,33 kg
Hrubá hmotnost: 2,44 kg
Přepravní objem: 3,64 m3
ALPHA2 je oběhové čerpadlo určené pro systémy vytápění v rodinných domech a menších otopných soustavách. Patří mezi nejúspornější čerpadla ve své třídě na trhu. Základem energetické účinnosti čerpadla ALPHA2 je inteligentní regulace jeho výkonu na základě aktuálních požadavků, kterou umožňuje funkce AUTOADAPT.
Standardní tříotáčková oběhová čerpadla pracují po celou dobu při konstantních otáčkách, bez ohledu na aktuální požadavek na vytápění. Funkce AUTOADAPT automaticky hledá optimální provozní nastavení čerpadla s ohledem na požadovanou teplotu a přizpůsobuje výkon čerpadla těmto požadavkům. Pokud se například při vyšší venkovní teplotě uzavřou termostatické ventily topení, čerpadlo automaticky sníží svůj výkon a naopak.
Během prvních dnů provozu pečlivě analyzuje otopnou soustavu a zjišťuje, jak a kdy se mění její požadavky. Funkce AUTOADAPT poté přízpůsobuje výkon čerpadla těmto požadavkům a jejich změně – tak, aby spotřeba energie byla vždy co nejnižší. AUTOADAPT tímto nekončí. Poté co byla nastavena optimální výkonová křivka, začíná opět analýza soustavy. Pokud je zjištěno, že je možné dosáhnout zlepšení, funkce změní výkonovou křivku čerpadla. Tento proces probíhá automaticky po celou dobu životnosti čerpadla.
Už nemusíte dělat starosti s komplikovaným nastavením čerpadla. V režimu AUTOADAPT ALPHA2 automaticky zanalyzuje otopnou soustavu, najde optimální nastavení a dále bude svou činnost přizpůsobovat změnám požadavků.
Aplikace
Čerpadlo ALPHA2 je navrženo pro otopné soustavy. Čerpadla s tělesem z korozivzdorné oceli lze využít pro cirkulaci teplé vody.
GRUNDFOS ALPHA2 je vhodná pro:
- Soustavy s konstantními nebo proměnlivými průtoky, při kterých je zapotřebí optimalizovat provozní bod čerpadla
- Soustavy s proměnlivou vstupní teplotou
- Soustavy, u kterých se vyžaduje noční redukovaný provoz.
Charakteristické znaky a výhody
- Kompaktní konstrukce
- Snadná a rychlá instalace
- Nízká spotřeba energie (min 5W)
- Prodlužená záruka 5 let - návratnost investice během záruční doby
- Funkce AUTOADAPT
- Displej ukazující skutečnou spotřebu energie (P1) ve wattech.
- Tichý chod
- Volitelná funkce - Automatický noční redukovaný provoz
- Motor založený na technologii permanentního magnetu / kompaktního statoru
- Samoodvzdušňovací těleso čerpadla
Obrázky se mohou lišit od originálního produktu/položky.
- Um nach Österreich zu versenden, besuchen Sie Grundfos ALPHA2 32-40 N 180mm, 1x230V
- Um nach Deutschland zu versenden, besuchen Sie Grundfos ALPHA2 32-40 N 180mm, 1x230V
- Aby wysłać do Polski odwiedź GRUNDFOS Pompa obiegowa ALPHA2 32-40 N 180 korpus ze stali nierdzewnej 97993212
- Pre odoslanie na Slovensko navštívte Grundfos obehové čerpadlo ALPHA2 32-40 N 180mm, 1x230V 97993212
Recenze (0)
Napsat recenzi
Hodnocení: Nejhorší Nejlepší
Opište prosím kód z obrázku do pole níže:





















