Franke SET G219L (dřez CNG 611-78 + baterie FC 3055) bílá-led 114.0650.825
Popis
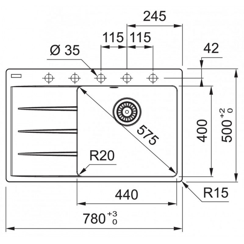
Granitový dřez Franke Centro CNG 611-78 TL/2, 780 × 500 mm
Technické parametry:
• Spodní skříňka od 500 mm
• Rozměry: 780 × 500 mm
• Výřez: 760 × 480 mm (Rádius 15 mm)
• Dřez: 440 × 400 × 200 mm
• Způsob montáže: Horní, dřez je usazen nad pracovní desku
• Orientace dřezu: Levý (vana dřezu vlevo)
• Provedení přepadu: Přepad umístěn ve vaně dřezu
• Typ výpusti: Sítková výpusť 3 1/2
• Možnost umístit dávkovač saponátu
• Montáž pomocí příchytek Fast-Fix
POZOR - Důležitá informace
Otvory do Fragranitových dřezů se již NEVYRÁŽÍ, ale VRTAJÍ FRÉZKOU, která je součástí dodávky dřezu.
Z tohoto důvodu již na dřezu nejsou nalepeny "terčíky", které dříve určovaly pozici, kde vyrážet otvor.
Otvory se vrtají ze spodní strany dřezu dle připojeného návodu.
Pokud vám bude dodán dřez bez frézky a s označenými otvory, jedná se o dřez vyrobený před touto změnou.
Prosíme, použijte na vyvrtání otvoru frézku z jiného dřezu (frézka není jen na jednorázové použití), případně ještě můžete otvory vyrazit starým způsobem (nedoporučujeme).
Reklamace poškození dřezů "bez terčíků" vyrážením otvorů nebude uznána.
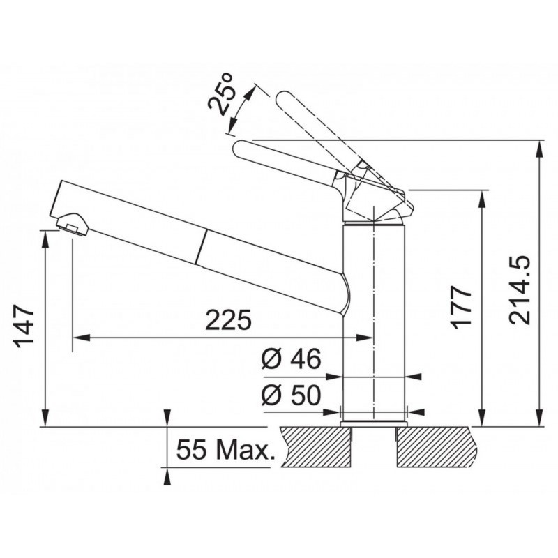
Kuchyňská baterie Franke FC 3055
Technické parametry:
• Páková směšovací
• Tlaková
• Otočná o 120°
• S vytahovací koncovkou osazenou perlátorem
• Opletená sprchová hadice 150 cm
• Připojení: hadičky 45 cm
• Průtok vody: 9 l/minutu (3 bar)
2 polohy páčky
• Šetří vodu až po 50 %, páčka se nejprve otevře k dorazu v polovině a dojde tak k přirozenému omezení průtoku.
• Úspora teplé vody - Ve výchozí poloze je páčka nastavena na studenou vodu, která je většinou v kuchyni dostačující.
• Umožňuje tak snížit spotřebu horké vody a tím šetří náklady na její ohřev.
Baterie Franke patří mezi světovou špičku - baterie jsou vyhlášené svou kvalitou, nezaměnitelným designem a špičkovým zpracováním.
Obsah balení:
• Granitový dřez
• Příchytky Fast-Fix
• Sítkový ventil 3 1/2" s přepadem
• Sifon pro úsporu místa 6/4" s odbočkou na myčku
• Vymezovací podložka pro montáž kuchyňské baterie
• Dřezová baterie
• Připojovací hadičky
• Montážní balíček
ilustrační foto
Obrázky se mohou lišit od originálního produktu/položky.
- Aby wysłać do Polski odwiedź Franke SET G219 (zlewozmywak CNG 611-78 + bateria FC 3055) biały polarny 114.0650.825
- Pre odoslanie na Slovensko navštívte Franke SET G219 (drez CNG 611-78 + batérie FC 3055) biela-ľad 114.0650.825
Recenze (0)
Napsat recenzi
Hodnocení: Nejhorší Nejlepší
Opište prosím kód z obrázku do pole níže:

























