VIEGA Septec-bidetový modul 8467.3 656140V
Kód / Model: 656140V
Popis
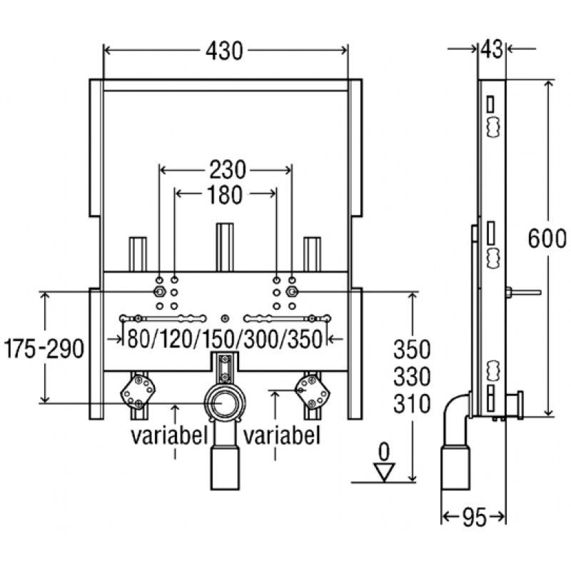
VIEGA Septec-bidetový modulModel 8467.3
Stavební šířka 430 mm
Pozinkovaná ocel
Vybaveno:
• výškově stavitelnými odhlučněnými úchyty pro systémové nástěnky Viega
• výškově nastavitelným odtokovým kolenem DN 40/50
• gumovou/pryžovou vsuvkou DN 40/30
• samolepící těsnící příruby
• upevňovacím materiálem pro modul a keramiku
Ilustrační foto
Obrázky se mohou lišit od originálního produktu/položky.
Dokumenty
- Pre odoslanie na Slovensko navštívte VIEGA Septec-bidetový modul 8467.3 656140V
Recenze (0)
Napsat recenzi
Hodnocení: Nejhorší Nejlepší
Opište prosím kód z obrázku do pole níže:





