ELEKTROBOCK Inteligentní termostat pro podlahové topení PT713-EI
Popis
PT713-EI je inteligetní termostat s prostorovým a podlahovým čidlem navržený speciálně pro ovládání elektrického podlahového vytápění. Díky kombinaci vnitřního a vnějšího čidla umožňuje regulovat:
1) teplotu místnosti
(vnitřní čidlo) - požadujeme komfortní teplotu v místnosti;
(vnější čidlo) - požadujeme komfortní teplotu v místnosti, externí čidlo umístíme na vhodné místo, kde nedochází ke zkreslení naměřených teplot;
2) teplotu podlahy (vnější čidlo) - vhodné např. pro koupelny, kde si přejeme mít teplou podlahu nezávisle na teplotě v místnosti;
3) kombinovaně (obě čidla) - vnitřní čidlo snímá teplotu v místnosti a vnější hlídá maximální teplotu podlahy; požadujeme komfortní teplotu v místnosti, ale zároveň hlídáme teplotu podlahy (vhodné pro dřevěné a laminátové podlahy).
Funkce PT713-EI:
- 9 týdenních programů s 6-ti teplotními změnami na den
- podsvícený displej
- možnost výběru mezi PI regulací a hysterezí
- nastavení minimální doby zapnutí zdroje tepla
- předvídavý systém (zaručuje určenou teplotu v požadovaném čase)
- provozní režimy: AUTO/MANU/OFF/DOVOLENÁ
- nastavení maximální mezní hodnoty teploty podlahy
- nastavení minimální mezní hodnoty teploty podlahy s možností určení časového úseku, ve kterém má být teplota udržována
- letní režim
- volba sudý/lichý týden (vhodné při směnném provozu)
- funkce „ otevřené okno“ (automatický útlum při náhlém poklesu teploty)
- rychlá změna požadované teploty
- informace o hodinách provozu
- funkce TEST pro ověření správného zapojení
- dětská pojistka – uzamčení kláves
- záloha při výpadku napětí více jak 100 hodin (dobíjecí baterie NiMH)
- jednoduchá montáž systémem PLUG-IN
- elegantní design v řadě spínačů VENUS
Technické parametry
| Napájení | síťové (230 V/ 50 Hz) |
|---|---|
| Typ termostatu | drátový |
| Typ regulace | hystereze/PI regulace |
| Přesnost | 0,5 °C |
| Rozměry (DxŠxH) | 81x81x47 mm |
| Stupeň krytí | IP20 |
| Pracovní teplota | 0 °C až 40 °C |
| Spínací prvek | relé |
| Výstup | 12 A , 2760 W |
| Teplotní změny na den | 6 |
| Rozsah nastavitelné teploty | 3 °C až 100 °C |
| Nastavení teplot po | 0, 5 °C |
| Min. programovací čas | 10 min |
| Min. indikační skok | 0, 1 °C |
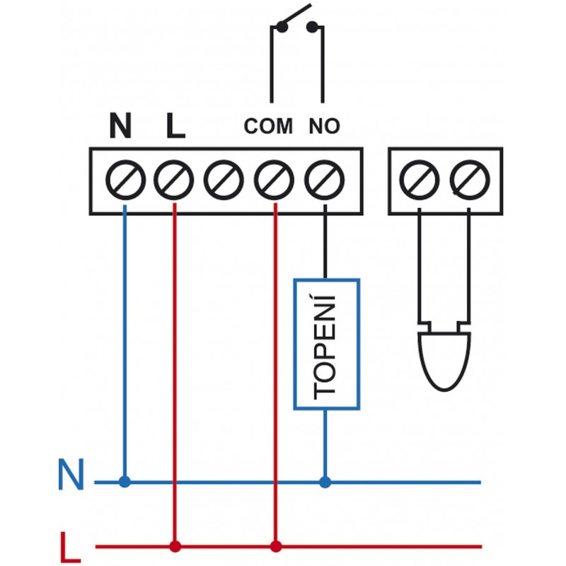
| Možnost připojení externího čidla | ano (je součástí) |
| Třída ochrany | II |
| Zálohovací baterie | Ano (dobíjecí NiMH, > 100 hodin) |
| Záloha paměti | Ne |
Obrázky se mohou lišit od originálního produktu/položky.
Dokumenty
- Um nach Deutschland zu versenden, besuchen Sie ELEKTROBOCK DIGITALER THERMOSTAT PT713-EI
- Um nach Österreich zu versenden, besuchen Sie ELEKTROBOCK DIGITALER THERMOSTAT PT713-EI
- Aby wysłać do Polski odwiedź ELEKTROBOCK Inteligentny termostat do elektrycznego ogrzewania podłogowego PT713-EI
- Pre odoslanie na Slovensko navštívte ELEKTROBOCK Inteligentný termostat pre podlahové kúrenie PT713-EI
Recenze (0)
Napsat recenzi
Hodnocení: Nejhorší Nejlepší
Opište prosím kód z obrázku do pole níže:





















