MORA R 120 Elektrický ohřívač
Kód / Model: 762143
Popis
MORA R 120 Elektrický ohřívačKonstrukce ohřívače vody: zásobníkový
Provedení ohřívače: tlakový
Poloha instalace: svislý (vertikální)
Typ instalace: závěsný na zeď
Materiál kotle: ocel; smalt
Objem (l): 120
Maximální teplota ohřevu (°C): 75
Druh ohřevu: elektrický
Doba ohřevu z 15°C na 65°C (hod.): 4.5
Tepelné ztráty (kWh/24 hod.): 1.99
Indikátor teploty: ANO
Signalizace ohřevu: ANO
Příkon (W): 2000
Provedení výrobku: bílá barva
- Umístění na stěnu vertikální
- Počet osob – průměrná spotřeba 5- 6
Technické vlasnosti
- Objem (l) 120
- Připojení k rozvodu G 1/2
- Hmotnost čistá/ hrubá/ s obsahem (kg) 35/38/155
- Pracovní tlak (bar) 6
- Výkon (W) 2000
- Napětí (V) 230
- Tepelné ztráty (kW/24h) 1,99
- Doba zahřívání z 15 na 75 °C 4 h 35 min
- Množství smíšené vody 40 °C (l) 226
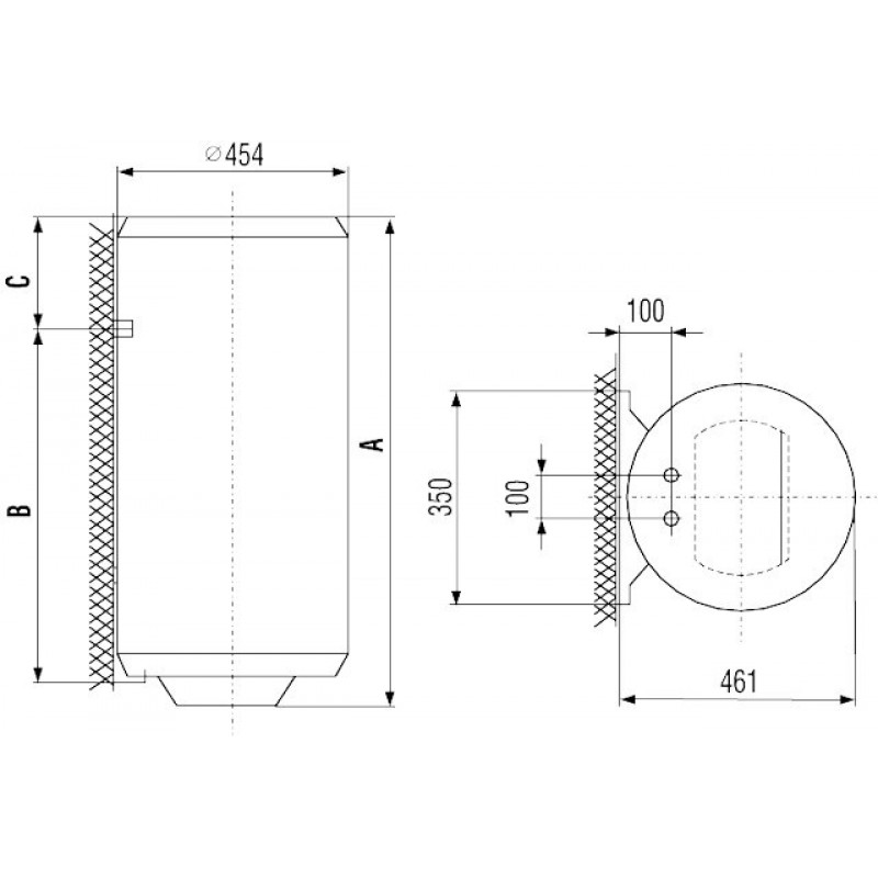
Instalační rozměry
- Výška (mm)/ A 1090
- B 865
- C 205
- Šířka (mm) průměr 454
- Tlakový elektrický ohřívač vody
- Smaltovaná ocelová nádrž
- Hořčíková ochranná anoda
- Ochrana proti vlhkosti
- Volba teploty do 75 °C
- Indikace zahřívání
- Teploměr
- Průměrná tloušťka izolace (mm) 17
- Jednocestný nebo bezpečnostní ventil
Obrázky se mohou lišit od originálního produktu/položky.
Dokumenty
- Pre odoslanie na Slovensko navštívte MORA R 120 Elektrický ohrievač
Recenze (0)
Napsat recenzi
Hodnocení: Nejhorší Nejlepší
Opište prosím kód z obrázku do pole níže:






















